Santwell es una empresa de células de carga especializada en R&D, producción y venta de productos de sensores de pesaje de alta precisión.
Como empresa impulsada por la innovación, Ningbo Santwell Import & Export Co., Ltd se ha dedicado al desarrollo de productos durante años. Estamos orgullosos y entusiasmados de anunciar que hemos desarrollado con éxito los precios de medición precisos de 10/20/30T del sensor de peso del transmisor de celda de carga para camiones. En Ningbo Santwell Import & Export Co., Ltd, la satisfacción del cliente y el servicio profesional, así como los precios competitivos son muy importantes para nosotros, un cliente feliz es lo que nos esforzamos por lograr. Santwell es una solución para todas sus necesidades de compra. Podemos ofrecerle los precios que necesita y la calidad que son buenos para usted.
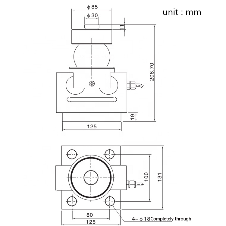
| Número de modelo: | QS-X-D | Tipo: | Cargar celda | 
| Lugar de origen: | Zhejiang, China | Marca: | Santwell | 
| Uso: | escala de camiones | Teoría: | resistente | 
| Producción: | Tensión de resistencia | Descripción: | Celda de carga de haz de corte de doble extremo | 
| Carga nominal: | 10/20/30 T | Sensibilidad: | 1000000d | 
| Error total: | ±0.02%F.S | Creep (30 minutos): | ±0.02%F.S | 
| Voltaje de excitación recomendado: | 5V ~ 18V (AC o DC) | Tensión de excitación máxima: | 24V (AC o DC) | 
| Saldo cero: | ±1%F.S | Impedancia de aislamiento: | ≥5000MΩ | 
| Sobrecarga segura: | 150%F.S | Overlord definitivo: | 200%F.S | 
Parámetro técnico
  | ||||
Carga nominal
  | 
T  | 
10/20/30
  | ||
Sensibilidad
  | 
MV/V
  | 
1000000d
  | ||
Error total
  | 
%F.S
  | ±0.02
  | ||
Creep (30 minutos)
  | 
%F.S
  | ±0.02
  | ||
Voltaje de excitación recomendado
  | 
V  | 
5 ~ 18 (AC o DC)
  | ||
Tensión de excitación máxima
  | 
V  | 
24 (AC o DC)
  | ||
Saldo cero
  | 
%F.S
  | ±1
  | ||
Impedancia de aislamiento
  | 
Mω  | 
& GE;5000
  | ||
Sobrecarga segura
  | 
%F.S
  | 
150
  | ||
Sobrecarga definitiva
  | 
%F.S
  | 
200
  | ||
Rango de temperatura de funcionamiento
  | 
℃
  | 
(-30~+70)
  | ||
Rango de temperatura compensado
  | 
℃
  | 
(-20~+60)
  | ||
Efecto de temperatura sobre la carga
  | 
℃
  | ±0.02%F.S/10
  | ||
Efecto de temperatura en cero
  | 
℃
  | ±0.02%F.S/10
  | ||
Construcción
  | 
Acero aleado
  | |||
Clase de protección
  | 
IP67&IP68
  | |||
Citación
  | 
GB/T7551-2008/OIML R60
  | |||
Modo de conexión
  | 
Entrada+E: Rojo
 
Entrada-E: Negro
 
Salida+S: verde
 
Output-S: White
  | |||
Interfaz de comunicación
  | 
RS485
  | |||
QUICK LINKS
MAIN PRODUCTS
CONTACT DETAILS












