Santwell es una empresa de células de carga especializada en R&D, producción y venta de productos de sensores de pesaje de alta precisión.
Para mantener nuestra competitividad en el mercado, Ningbo Santwell Import & Export Co., LTD ha fortalecido nuestras capacidades R & D para acelerar el progreso del desarrollo de nuevos productos. Ahora, anunciamos que hemos desarrollado de forma independiente la celda de carga de aleación de aluminio IP66 400 kg potentes de alta precisión de 1000 kg de plataforma de plataforma de carga de un solo punto de carga que es más competitivo. Es consistente con los estándares de la industria. Desde que se estableció, Ningbo Santwell Import & Export Co., Ltd siempre ha tenido estricto cumplimiento de los estándares internacionales y los altos estándares éticos, ofreciendo así a los clientes productos altamente confiables. Siempre hemos estado siguiendo el principio comercial de 'Honestidad & Integridad', que garantiza que los servicios más creíbles se entreguen a cada cliente.
| Número de modelo: | PA-J | Lugar de origen: | Zhejiang, China |
| Marca: | Santwell | Uso: | PRESSURE SENSOR |
| Teoría: | Sensor de resistencia | Producción: | Sensor analógico |
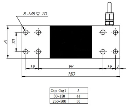
| Carga nominal: | 50 ~ 500 kg | Sensibilidad: | 2.0000 ± 0.002 mv/v |
| Error total: | ±0.02%F.S | Creep (30 minutos): | ±0.02%F.S |
| Voltaje de excitación recomendado: | 5V ~ 12V (AC o DC) | Tensión de excitación máxima: | 15V (AC o DC) |
| Saldo cero: | ±1%F.S | Impedancia de aislamiento: | ≥5000MΩ |
| Sobrecarga segura: | 150%F.S | Overlord definitivo: | 200%F.S |
Parámetro técnico
| ||
Carga nominal
|
50-500 kg
| |
Sensibilidad
|
2.0000 <00000000>#xb1; 0.001mv/v
| |
Error total
|
± 0.02%F.S
| |
Creep (30 minutos)
|
± 0.02%F.S
| |
Voltaje de excitación recomendado
|
5V ~ 12V (AC o DC)
| |
Tensión de excitación máxima
|
15V (AC o DC)
| |
Saldo cero
|
± 1%F.S
| |
Impedancia de entrada
|
380 <00000000>#XB1; 5 Ω
| |
Impedancia de salida
|
350 ± 2 Ω
| |
Impedancia de aislamiento
|
≥ 5000M Ω
| |
Sobrecarga segura
|
150%F.S
| |
Sobrecarga definitiva
|
200%F.S
| |
Rango de temperatura de funcionamiento
|
(-30 ~+70) ℃
| |
Rango de temperatura compensado
|
(-20 ~+60) ℃
| |
Efecto de temperatura sobre la carga
|
± 0.02%F.S/10 ℃
| |
Efecto de temperatura en cero
|
± 0.02%F.S/10 ℃
| |
Construcción
|
Aluminio
| |
Clase de protección
|
IP66
| |
Citación
|
GB/T7551-2008/OIML R60
| |
Modo de conexión
|
Entrada+E: Rojo
Entrada-E: Negro
Salida+S: verde
Output-S: White
| |
QUICK LINKS
MAIN PRODUCTS
CONTACT DETAILS







