Santwell es una empresa de células de carga especializada en R&D, producción y venta de productos de sensores de pesaje de alta precisión.
Ningbo Santwell Import <00000000> Export Co., Ltd siempre se dedica a la investigación y el desarrollo, la producción y la venta de la compresión de suministro de suministro directo de fábrica MA114B, la compresión de suministro de carga de la tensión, la fuerza del transductor, el sensor de transductor, la celda de la carga de la carga 20kn. Las tecnologías de alta gama se utilizan para fabricar la calidad de suministro directo de la fábrica directa de la calidad de la fábrica de fábrica y la carga de la carga del transductor del transductor del transductor celda de carga 20kn. El producto puede desarrollar su mayor efecto en el campo (s) de los sensores de fuerza & Celillas de carga. Ningbo Santwell import & Export Co., Ltd con alta calidad y buena reputación, ha ganado una buena reputación en la industria.
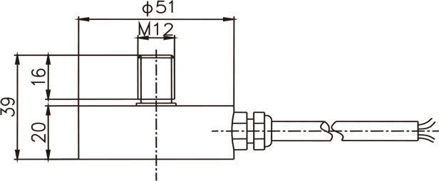
| Número de modelo: | MA114B | Tipo: | / |
| Lugar de origen: | Zhejiang, China | Marca: | Santwell |
| Uso: | Sensor de fuerza de compresión | Teoría: | / |
| Producción: | / | Descripción: | Sensor de fuerza de compresión |
| Capacidad: | 1,2,5,10,20kn | Salida nominal: | 1.5 ± 10%MV/V |
| Saldo cero: | ± 0.03 mv/v | Temperatura. efecto sobre la salida: | 0.05%F.S./10℃ |
| Temperatura. efecto en cero: | 0.05%F.S./10℃ | Impedancia de entrada: | 780±20Ω |
| Impedancia de salida: | 700±10Ω | Aislamiento: | ≥5000MΩ/100VDC |
| Excitación recomendada: | 5~15V | Excitación máxima: | 20V |
Parámetro técnico
| ||
Capacidad
|
1,2,5,10,20kn
| |
Salida nominal
|
1.5±10%MV/V
| |
Saldo cero
| ±0.03 MV/V
| |
No linealidad
|
0.2%F.S
| |
Histéresis
|
0.1%F.S.
| |
Repetibilidad
|
0.1%F.S.
| |
Temperatura. efecto sobre la salida
|
0.05%F.S./10℃
| |
Temperatura. efecto en cero
|
0.05%F.S./10℃
| |
Impedancia de entrada
|
780±20ω | |
Impedancia de salida
|
700±10ω | |
Aislamiento
|
& ge; 5000mω/100VDC
| |
Excitación recomendada
|
5~15V
| |
Excitación máxima
|
20V
| |
Rango de temperatura compensada
|
-10~60℃
| |
Rango de operación tem
|
-20~80℃
| |
Safe sobre carga
|
150%F.S.
| |
Sobrecarga definitiva
|
200%F.S.
| |
Tamaño de cable
| φ4×3000mm
| |
Teds opcional
|
Acero inoxidable
| |
QUICK LINKS
MAIN PRODUCTS
CONTACT DETAILS













