Santwell es una empresa de células de carga especializada en R&D, producción y venta de productos de sensores de pesaje de alta precisión.
Con una fuerte capacidad de investigación y desarrollo de productos, Ningbo Santwell Import & Export Co., Ltd asegura que se lanzan regularmente nuevos productos. Nuestra nueva celda de carga de tipo de compresión de productos 100T ~ 150T puede usarse en las pruebas de fuerza es una serie totalmente nueva y tiene diferentes características. Atiende a los mercados extranjeros. Nuestra experiencia y tecnologías permiten soluciones a medida para cada cliente.
| Número de modelo: | CMLC | Lugar de origen: | Zhejiang, China |
| Marca: | Santwell | Uso: | PRESSURE SENSOR |
| Teoría: | Sensor de resistencia | Producción: | Sensor analógico |
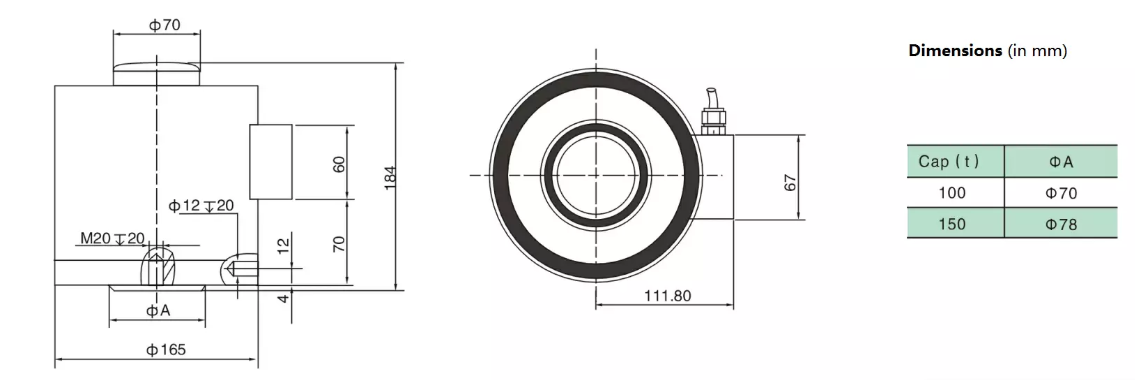
| Carga nominal: | 100t, 150t | Sensibilidad: | 2.0000 ± 0.002 mv/v |
| Error total: | ±0.02%F.S | Creep (30 minutos): | ±0.02%F.S |
| Voltaje de excitación recomendado: | 5V ~ 18V (AC o DC) | Tensión de excitación máxima: | 24V (AC o DC) |
| Saldo cero: | ±1%F.S | Impedancia de aislamiento: | ≥5000MΩ |
| Sobrecarga segura: | 150%F.S | Sobrecarga definitiva: | 200%F.S |
Parámetro técnico
| ||
Carga nominal
|
100t, 150t
| |
Sensibilidad
|
2.0000 <00000000>#xb1; 0.001mv/v
| |
Error total
|
± 0.02%F.S
| |
Creep (30 minutos)
|
± 0.02%F.S
| |
Voltaje de excitación recomendado
|
5V ~ 18V (AC o DC)
| |
Tensión de excitación máxima
|
24V (AC o DC)
| |
Saldo cero
|
± 1%F.S
| |
Impedancia de entrada
|
380 <00000000>#XB1; 5 Ω
| |
Impedancia de salida
|
350 ± 2 Ω
| |
Impedancia de aislamiento
|
≥ 5000M Ω
| |
Sobrecarga segura
|
150%F.S
| |
Sobrecarga definitiva
|
200%F.S
| |
Rango de temperatura de funcionamiento
|
(-30 ~+70) ℃
| |
Rango de temperatura compensado
|
(-20 ~+60) ℃
| |
Efecto de temperatura sobre la carga
|
± 0.02%F.S/10 ℃
| |
Efecto de temperatura en cero
|
± 0.02%F.S/10 ℃
| |
Construcción
|
Acero inoxidable/acero de aleación
| |
Clase de protección
|
IP68
| |
Citación
|
GB/T7551-2008/OIML R60
| |
Modo de conexión
|
Entrada+E: Rojo
Entrada-E: Negro
Salida+S: verde
Output-S: White
| |
QUICK LINKS
MAIN PRODUCTS
CONTACT DETAILS






